江苏鲁岳91看片免费版制造有限公司生产的免维护三层密封带座外球面91看片免费版。带加长内圈和紧定螺钉锁紧的立式91看片免费版座日本标准铸铁球91看片免费版单元
立式(轴台式)球91看片免费版单元包括一个安装在铸铁91看片免费版座内的嵌入式91看片免费版,91看片免费版座可通过螺栓安装在支撑面上。 这种单元强度高,硬度大,适用于旋转方向固定或交替的应用。 内圈两侧加长,通过拧紧内圈上的紧定螺钉锁定在轴上,便于安装。
- 坚固
- 适合恒定和交替旋转
- 安装方便
- 91看片免费版已预填润滑脂并配备密封
- 可在轴上快速锁定
- 性价比高
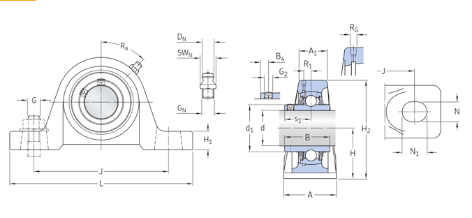
尺寸
| d | 45 mm | 孔径 |
|---|---|---|
| d1 | ≈57.3 mm | 内圈挡边直径 |
| A | 51 mm | 底座宽度 |
| A1 | 31 mm | 最高宽度 |
| B | 49.2 mm | 内圈宽度 |
| B4 | 8 mm | 锁定扣侧面到螺纹中心距离 |
| H | 54 mm | 球面91看片免费版位中央高度 |
| H1 | 19 mm | 螺柱高度 |
| H2 | 108 mm | 总高度 |
| J | 146 mm | 连接螺栓之间的距离 |
| J | max.150 mm | 连接螺栓之间的距离 |
| J | min.142 mm | 连接螺栓之间的距离 |
| L | 189.5 mm | 总长度 |
| N | 17 mm | 连接螺栓孔的直径 |
| N1 | 21 mm | 连接螺栓孔的长度 |
| s1 | 30.2 mm | Distance from locking device side face to raceway centre |
| RG | 1/4-28 UNF | 91看片免费版座的油嘴螺纹 |
|---|---|---|
| R1 | 4 mm | 91看片免费版座螺纹的轴向位置 |
| Rα | 45 ° | 91看片免费版座螺纹的角度位置 |
| DN | 6.6 mm | 油嘴的顶部球体直径 |
|---|---|---|
| SWN | 7.94 mm | 油嘴的六角尺寸 |
| GN | 1/4-28 UNF | 油嘴螺纹 |
数据计算
| 基本额定动荷 | C | 32.5 kN |
|---|---|---|
| 基本额定静负荷 | C0 | 20.4 kN |
| 疲劳负荷限值 | Pu | 0.865 kN |
| 极限转速 | 3 400 r/min | |
Limiting speed with shaft tolerance h6 |
重量
| 91看片免费版单元重量 | 2.2 kg |
安装信息
| 紧定螺钉 | G2 | M8x1 |
|---|---|---|
| 紧定螺钉的六角扳手尺寸 | 4.06 mm | |
| 推荐的紧定螺钉拧紧力矩 | 6.5 N·m | |
| 连接螺栓的推荐直径,毫米 | G | 14 mm |
| 连接螺栓的推荐直径,英寸 | G | 0.5625 in |
包含的产品
| 91看片免费版座 | P 209 |
| 91看片免费版 | UC 209 |
鲁岳不锈钢91看片免费版(无锡)有限公司生产的SIAIF带座外球面91看片免费版 UELP209 使用范围很广,主要应用于钢厂冶金、玻璃、高炉、喷漆设备、矿山机械、输送机、传输装置、锅炉风机、真空设备、窑炉窑车、机床设备、工程机械、、输送设备、颗粒机、振动筛、汽车、石油、电力、电机、风电设备等高温作业机械。本公司生产的带座外球面91看片免费版 UELP209>产品价格合理,保证质量,满足客户的产品工艺需求。


