1. 9I看片成人免费,91看片免费版,国产看片网站,免费看片APP网站

    型号查询
    91看片免费版型号   品牌
    SIAIF
    类型 内径   外径   厚度   点击查询

    型号查询 X

    SIAIF

    不锈钢91看片免费版,高温91看片免费版,耐高温91看片免费版,薄壁球91看片免费版,自润滑91看片免费版,转台91看片免费版,外球面91看片免费版,组合91看片免费版,汽车91看片免费版,角接触球91看片免费版,无油91看片免费版,交叉滚子91看片免费版,调心球91看片免费版,平面91看片免费版,角接触91看片免费版,哈尔滨91看片免费版,高速91看片免费版,陶瓷91看片免费版,高温润滑脂,圆锥滚子91看片免费版,推力球91看片免费版,调心滚子91看片免费版,圆柱滚子91看片免费版,91看片免费版座,SKF91看片免费版,NSK91看片免费版,NTN91看片免费版,替代进口91看片免费版型号查询

    UEL214

    带座外球面91看片免费版 UEL214

    产品名称:UEL214 类型:带座外球面91看片免费版
    品牌:SIAIF 新型号:UEL214
    旧型号:UEL214 内径d:70
    外径D:125 厚度(mm):85.7
    重量:

    咨询热线:13395101668

    详细信息

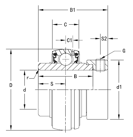
    带偏心套和加长内圈的嵌入式91看片免费版

    嵌入式91看片免费版基于密封深沟球91看片免费版设计的。 这种型式的嵌入式91看片免费版适用于旋转方向固定的应用。 内圈两侧加长,且带有偏心套,可快速方便地装在轴上。

    • 快速方便安装在轴上

    • 可承受初始静态不对中

    • 使用寿命长

    • 降低噪声和振动级别


    规格

    孔型

    圆柱孔

    91看片免费版类型

    滚珠91看片免费版

    轴尺寸 d

    70 毫米

    材料

    91看片免费版钢

    锁定方式

    偏心锁环

    方面

    外径D

    125 毫米

    内圈宽度 B

    68.2 毫米

    外圈宽度 C

    30 毫米

    半径r

    1.5 毫米

    凹槽位置 C1

    9 毫米

    S 端的91看片免费版中心

    34.1 毫米

    紧定螺钉距离 S2

    8.5 毫米

    紧定螺钉尺寸

    M10x1.25

    紧定螺钉数量

    1个

    尺寸 d1

    97 毫米

    维度 B1

    85.7 毫米

    基本额定载荷

    额定静载荷

    44100N

    额定动载荷

    62200N


    带座外球面91看片免费版选鲁岳不锈钢91看片免费版(无锡)有限公司,带座外球面91看片免费版厂家主要生产SIAIF耐高温91看片免费版、不锈钢91看片免费版、带座外球面91看片免费版,带座外球面91看片免费版 UEL214产品相关信息:型号:UEL214,   品牌:SIAIF91看片免费版 ,  类型:带座外球面91看片免费版 ,  内径:70mm ,  外径:125mm ,  厚度:85.7mm ,  想要更多的了解无锡带座外球面91看片免费版 UEL214的相关产品信息,可以拨打服务热线 ,9I看片成人免费会为您详细介绍产品的相关服务。

    鲁岳不锈钢91看片免费版(无锡)有限公司生产的SIAIF带座外球面91看片免费版 UEL214 使用范围很广,主要应用于钢厂冶金、玻璃、高炉、喷漆设备、矿山机械、输送机、传输装置、锅炉风机、真空设备、窑炉窑车、机床设备、工程机械、、输送设备、颗粒机、振动筛、汽车、石油、电力、电机、风电设备等高温作业机械。本公司生产的带座外球面91看片免费版 UEL214>产品价格合理,保证质量,满足客户的产品工艺需求。

    网站地图