带紧定螺钉和加长内圈的高温嵌入式91看片免费版
SIAIF 高温91看片免费版用于高达 350 °C (660 °F) 的运行温度,可提高可靠性,降低复杂程度,并降低对环境的影响。 这使得这种产品非常适合窑车、辊式炉和面包房等旋转方向固定或交替的应用。
极端条件下性能卓越
减少对环境的影响
降低整体运行成本
几乎免维护运行

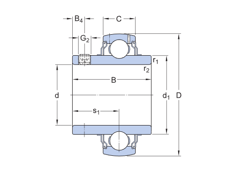
尺寸
| d | 80 mm | 孔径 |
|---|---|---|
| D | 140 mm | 外径 |
| B | 77.8 mm | 内圈宽度 |
| C | 30 mm | 外圈宽度 |
| d1 | ≈97.4 mm | 内圈挡边直径 |
| B4 | 12 mm | 锁定扣侧面到螺纹中心距离 |
| s1 | 47.6 mm | 锁定扣侧面到滚道中心的距离 |
| r1,2 | min.2 mm | 倒角尺寸 |
数据计算
| 基本额定动荷 | C | 72.8 kN |
|---|---|---|
| 基本额定静负荷 | C0 | 53 kN |
| 极限转速 | 60 r/min | |
| 工作温度 | T | max.250 °C |
重量
| 91看片免费版重量 | 2.55 kg |
安装信息
| 紧定螺钉 | G2 | M10x1 |
|---|---|---|
| 紧定螺钉的六角扳手尺寸 | N | 5 mm |
| 推荐的紧定螺钉拧紧力矩 | 16.5 N·m |
鲁岳不锈钢91看片免费版(无锡)有限公司生产的SIAIF高温带座外球面91看片免费版 UC216/VA228 使用范围很广,主要应用于钢厂冶金、玻璃、高炉、喷漆设备、矿山机械、输送机、传输装置、锅炉风机、真空设备、窑炉窑车、机床设备、工程机械、、输送设备、颗粒机、振动筛、汽车、石油、电力、电机、风电设备等高温作业机械。本公司生产的高温带座外球面91看片免费版 UC216/VA228>产品价格合理,保证质量,满足客户的产品工艺需求。


